Fire pump motors are core power equipment for industrial fire protection systems, custom-developed for fire-fighting scenarios. Designed to strictly comply with UL Standard 1004-1 “Rotating Electrical Machines – General Requirements” and UL 1004-5 “Fire Pump Motors Safety Standard”, these motors feature a low KVA code design that effectively reduces inrush current impact, extends service life, and provides stable and reliable power support for global industrial fire protection.


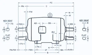
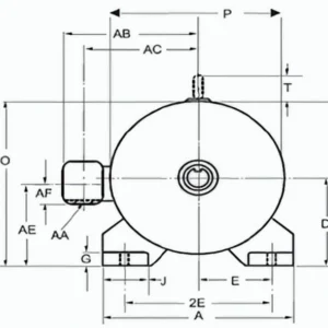
Display of the main components of the fire pump motor.
Email us for the complete product catalog.
Core Product Features
Suitable for North America, Europe, the Middle East, Asia, Africa, and parts of Latin America, our fire pump motors are widely used in various industrial fire protection systems and emergency water supply scenarios. They are compatible with fire-fighting supporting needs in compressors, water conservancy, power, chemical, construction, and other fields, boasting core advantages such as continuous operation stability, strong environmental adaptability, and high safety factors.
Frequency compatibility
50/60Hz dual-frequency support, meeting power standards in different regions
Insulation and temperature rise class
F/B class, excellent heat resistance, safe and stable operation
Service factor
Aluminum weighs approximately 50% less than steel, making transportation and assembly more efficient. This saves both labor time and shipping costs.
Altitude adaptation
Normal operation within 1000 meters, suitable for most industrial scenarios
Duty cycle
S1 continuous duty cycle, supporting long-term uninterrupted operation
Design standard
NEMA B design, excellent starting performance and high operating efficiency
Ambient temperature
Adaptable to 50℃ high-temperature environment, wide application range
Surface treatment
RAL3002 standard paint, corrosion and wear resistance
Product certification
UL, CE certified, complying with international safety standards


Display of Fire Pump Motor Accessories
Contact us for the complete product catalog.
Series-Specific Features
ODP Series (Open Drip-Proof) Fire Pump Motor
- Protection class: IP23, effectively preventing solid foreign object intrusion and drip impact
- Efficiency class: IE2 (Epact Efficiency), IE3 (Premium Efficiency), significant energy-saving effect
- Core advantage: Excellent ventilation and heat dissipation performance, suitable for dry and clean fire-fighting scenarios
TEFC Series (Totally Enclosed Fan-Cooled) Fire Pump Motor
- Protection class: IP55, excellent dust and water resistance, suitable for humid and dusty environments
- Efficiency class: Covering IE2 (Epact Efficiency) and IE3 (Premium Efficiency), meeting different energy-saving needs
- Core advantage: Good sealing performance, long maintenance cycle, suitable for fire-fighting operations under harsh working conditions
Maintenance Instructions
- Confirm that the motor rotation direction is correct, adjust if necessary
- Check the motor installation and fixing conditions, ensure the surrounding environment meets operating requirements
- Verify that the starting current is normal and the power supply voltage fluctuation is within the allowable range
- Check that the starting device connections are firm, without loosening or aging phenomena
- Monitor the motor operating sound, distinguish mechanical abnormal noise (bearing issues, component loosening, etc.) from electrical abnormal noise (phase loss operation, voltage imbalance, etc.), and stop the machine immediately to investigate if abnormalities are found
- Monitor the load current to ensure it does not exceed the rated current marked on the nameplate, and the unbalance error of three-phase voltage and current does not exceed 10%
- Observe the control electrical appliances and wiring contacts for loosening, abnormal temperature rise, or sparking, and no aging or damage to the insulation layer
- Regularly check the bearing temperature (generally not exceeding 95℃), and check for bearing loosening or leakage
- Pay attention to changes in motor vibration and odor, and promptly detect abnormal conditions such as overheating and smoke
- Timely remove dust and sludge from the motor exterior to keep the equipment clean; do not rinse directly with water
- Lubricate the bearings according to the maintenance cycle and lubricating oil grade marked on the nameplate, avoiding insufficient or excessive oiling
- If the motor is overloaded by more than 20% for a long time without the protection device activating, adjust the thermal relay setting current value
- Establish a daily inspection system, record operating status data for easy traceability and maintenance

FAQs
Frequently Asked Questions
What voltage levels are the fire pump motors compatible with?
The motors support multiple voltage levels including 380V, 400V, 415V, 440V, 460V, 575V, and some models also support 230/460V dual-voltage switching, which can adapt to power standards in most regions around the world.
What are the core differences between the ODP series and TEFC series?
The core difference lies in the protection class and application environment: the ODP series has an IP23 protection class with an open drip-proof design, offering excellent ventilation and heat dissipation, suitable for dry and clean scenarios; the TEFC series has an IP55 protection class with a totally enclosed fan-cooled design, dustproof and waterproof, suitable for harsh working conditions such as humidity and dust.
What is the difference between IE2 and IE3 efficiency classes?
IE2 is the Epact efficiency class, and IE3 is the Premium efficiency class. The latter has more significant energy-saving effects than the former, with lower operating energy consumption, which can reduce electricity costs in long-term use; both comply with international efficiency standards and can be selected according to project energy-saving requirements and budget.
What does the motor’s service factor of 1.15 mean?
A service factor of 1.15 means the motor can operate short-term under a load exceeding the rated power by 15%, with strong overload capacity, which can cope with sudden load fluctuations in fire-fighting scenarios and improve the reliability of system operation.
What is the recommended maintenance cycle for the motor?
Bearing lubrication should be performed according to the lubricating oil grade and cycle marked on the nameplate (usually every 2000-3000 operating hours or once a year); daily inspections are recommended once a week, focusing on checking operating sound, temperature, current, etc.; cleaning and component inspection after shutdown are recommended once a month.
Which regions are the product certifications applicable to?
UL certification is applicable to North America, and CE certification is applicable to the European Economic Area and countries/regions that recognize CE standards. The product can meet the certification requirements of most industrial fire protection projects worldwide.
Can the motor operate normally when the altitude exceeds 1000 meters?
The motor is designed for an altitude of 1000 meters by default. If the altitude exceeds 1000 meters, it is necessary to inform the manufacturer in advance for customized adjustments (such as optimizing the heat dissipation structure and adjusting the insulation configuration), otherwise, it may affect the motor’s operating efficiency and service life.
What is the function of the optional C-face and D-flange?
C-face and D-flange are the motor’s installation and connection methods. The C-face is suitable for scenarios where the flange end directly installs the load, and the D-flange is suitable for scenarios where the load needs to be connected through a coupling. They can be selected according to actual installation needs to improve equipment adaptability.
get in touch
Ready to explore the endless possibilities China’s manufacturing landscape offers? Connect with WELLE Trade to access a world of business opportunities and diverse product options. Let us know your contact information and product requirements, and we’ll get back to you promptly with a tailored quote. We’re committed to providing you with the best solutions and pricing. Your project is important to us, and we look forward to helping you achieve your goals!